98 Dodge Ram Speaker Wiring

98 Dodge Ram Speaker Wiring. Our 1998 dodge ram 3500. 97 dodge fuse box diagram 1997 dodge ram 1500 fuse.

Scott Wired Radio Wiring Diagram For 98 Dodge Ram 1500
Scott Wired Radio Wiring Diagram For 98 Dodge Ram 1500 from scott-wired.blogspot.com

Web 98 dodge ram infinity speaker wiring diagram pictures wiring diagram from faceitsalon.com. Web speaker wire size; Check if this fits your dodge ram 1500.

Web Replacing A Bad Door Speaker In A 1998 Dodge Ram 3/4 Ton Truck.


98 dodge ram stereo wiring diagram. A avoid radio station cabling. Web where is the fuse for the front speakers on 98 dodge ram 1500.

Web 98 Ram 1500 Speaker Issue Non Factory Installed Stereo, Rear Speakers Work Great, Front Speakers Not At All.


Web shop for the best radio wiring harness for your 1998 dodge ram 1500, and you can place your order online and pick up for free at your local o'reilly auto parts. Getting the door panel off is the hardest art. 1998 dodge ram pickup stereo wiring:

Our 1998 Dodge Ram 3500.


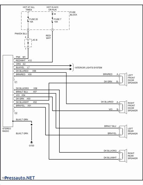
Web 98 dodge ram speaker wiring diagram 98 dodge ram stereo wiring diagram. I have a 98 dodge ram 1500 i bought a jvc stereo i can get the back speakers to work but not the front. Our 2004 dodge ram 1500 speaker wire guide shows you how to.

Web 1996 Dodge Ram 1500 Speaker Wiring Diagram Quentinspeaks From Quentinspeaks.blogspot.com.


December 8, 2022 november 13, 2022 by tamble. Clicking this will make more experts see the question and. Web knowing your 2004 dodge ram 1500 speaker wire colors makes it super easy to replace your car stereo.

Web 1998 Dodge Ram 1500 Speaker Wiring Guide.


Jeep grand cherokee wj stereo system wiring diagrams. Web speaker wire size; * please select the options of your 1998 dodge ram above to show all of the speakers that fit.