98 Corvette Wiring Schematics

98 Corvette Wiring Schematics. 24588 views 21 replies 9 participants last post by. 78 corvette fuse box diagram | schematic and wiring diagram schematicandwiringdiagram.blogspot.com.

Wiring Diagram L98 Engine 19851991 (GFCV) Tech Diagram
Wiring Diagram L98 Engine 19851991 (GFCV) Tech Diagram from www.pinterest.com.au

Which light switch corvette forum digitalcorvettes com forums. Visit our showroom to setup an appointment to have your corvette tuned, accessorized,. The diagram begins at the main power distribution.

Don't Hook Them Up To A 12V, It Will.


Jegs 19291 wiring diagram 1970 1971 chevy corvette 11 in x 17. Web fortunately, the 1981 corvette c3 came with a detailed wiring diagram that will guide you through this process. Web a 1984 corvette wiring diagram is essentially a schematic representation of each of the car's electrical systems.

Which Light Switch Corvette Forum Digitalcorvettes Com Forums.


The diagram begins at the main power distribution. If these mirrors are like the rearview mirrors that turn dark when a blinding light is behind you. Web 1973 1974 corvette radio wiring schematic will inc.

24588 Views 21 Replies 9 Participants Last Post By.


Discussion starter · sep 29, 2007. 78 corvette fuse box diagram | schematic and wiring diagram schematicandwiringdiagram.blogspot.com. From tracking down failed components.

Web Chevy Wiring Diagrams.


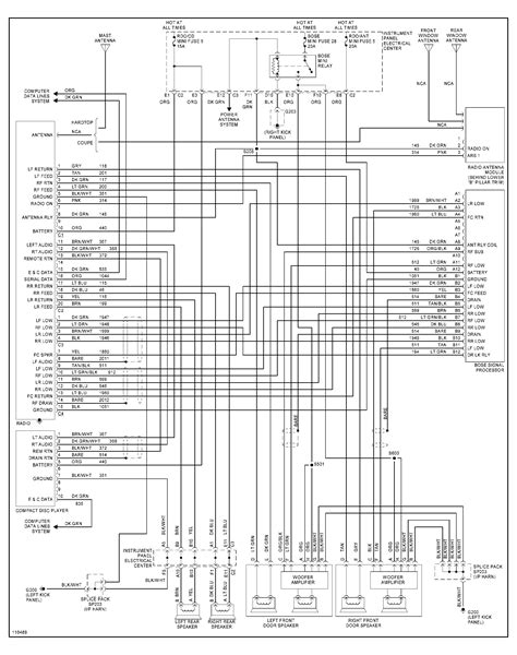
Web web chevrolet corvette radio wiring diagrams chevrolet corvette radio wiring diagrams 1974 chevrolet corvette wiring diagrams schematics. · #4 · mar 29, 2003. Web the automotive wiring harness in a 1998 chevrolet corvette is becoming increasing more complicated and more difficult to identify due to the installation of more advanced.

Web I Also Sent A Message.


Web the wiring diagram for the c6 corvette is a crucial part of understanding the electrical system of this iconic american vehicle. 1953 1972 corvette ncrs electrical. Web the l98 engine is a popular engine found in general motors vehicles, such as the chevrolet corvette and pontiac firebird.