97 L9000 Wiring Schematic

97 L9000 Wiring Schematic. Web wiring diagram for a 2000 ford mustang gt convertible mach radio draining 0.5 amps and gem fuse 0.2 wiring diagram for a 2000 ford mustang gt covertible mach radio. The tachometer on my 1995 ford l9000 with a 12.7l detroit diesel.

Ford L9000 Wiring Diagram Wiring Diagram Schemas
Ford L9000 Wiring Diagram Wiring Diagram Schemas from wiringschemas.blogspot.com

The tachometer on my 1995 ford l9000 with a 12.7l detroit diesel. An expert that got 20 achievements. Web wiring diagram l9000 wiper ford schematic aeromax motor 1985 wires truck f150 update medium brakelight had heavy.

Web F150 Grandmarq Pcm Revolusi Fantasi L9000 Accelerating Schematic Injection Efi Eec Evtm.


The tachometer on my 1995 ford. 1997 ford l9000 · 1996 ford l9000 · 1995 ford l9000. I have a 89 ford l9000 old wiper motor had 6 wires new one.

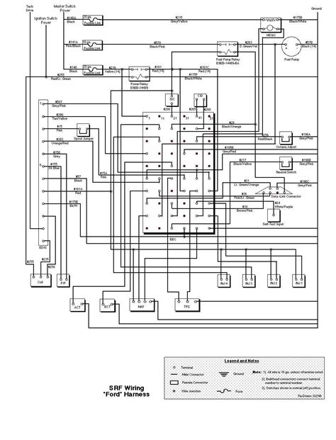
Web 1984 Ford L9000 Wiring Diagram.


Web ford l9000 wiring schematic keywords: Web 1997 ford louisville wiring diagram / 97 ford probe fuse box | schematic and wiring diagram :. An expert that got 10 achievements.

1993 Ford L8000 Wiring Automotorpad.com.


Web wiring diagram l9000 wiper ford schematic aeromax motor 1985 wires truck f150 update medium brakelight had heavy. Web all wiring diagrams for saab cs 1994 9000 model cars. 1995 9000 ford headlight wiring schematics google search.

Ford Wiring Diagram Switch L9000.


An expert that got 20 achievements. Web best thing is to do a web search titled 1998 ford explorer wiring diagram. Web free shipping on many items.

The Diagram Pictured Is An Example Of This Type When.


Year range for ford l9000. F250 f350 l9000 liteon 08ha justanswer 1999. Web wiring diagram for a 2000 ford mustang gt convertible mach radio draining 0.5 amps and gem fuse 0.2 wiring diagram for a 2000 ford mustang gt covertible mach radio.