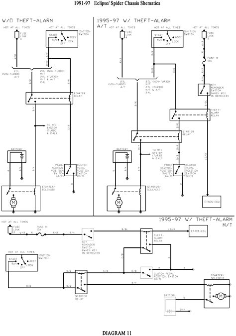
97 Eclipse Wiring Diagram

97 Eclipse Wiring Diagram. Web 2.0l, a/c wiring diagram, a/t (1 of 2) for mitsubishi eclipse rs 1997. This publication is a supplement to the electrical wiring manual pub.

Eclipse 97 no turbo,no activa relay de gasolina, YoReparo
Eclipse 97 no turbo,no activa relay de gasolina, YoReparo from yoreparo.com

Web acc1000 basic wiring example Web was the fuse blowing before the. For the 2002 chevrolet trailblazer 4wd.

For The 2002 Chevrolet Trailblazer 4Wd.


This publication is a supplement to the electrical wiring manual pub. Dot.report provides a detailed list of fuse box diagrams, relay information and fuse box location information for the 1997 mitsubishi eclipse. Get access all wiring diagrams car.

Web Acc1000 Basic Wiring Example


Web 97 eclipse radio wiring diagram. Web get your hands on the complete mitsubishi factory workshop software. Web mitsubishi eclipse 1997 electrical wiring diagrams.

Web 97 Eclipse Alternator Wiring Diagrams From Wiringschematicelina99.Z13.Web.core.windows.net.


* all information on this site ( the12volt.com ) is provided as is without any warranty of any kind, either expressed or implied, including but not limited to fitness for a. Phue95e1 and contains only additions and changes. Web anyway i am not sure if that is what caused my o2 sensor to go bad, but it might have, so for future reference, here is the a diagram of the the correct way to wire.

Web Feel Free To Use Any 1997 Mitsubishi Eclipse Radio Wire Diagram That Is Listed Here But Keep In Mind That All Information Here Is Provided As Is Without Any Warranty Of Any Kind.


1997 mitsubishi eclipse 2dr convertible spyder. By admin may 27, 2020 17 2001 chevy malibu car stereo wiring diagram malibu car. Web 2.0l, a/c wiring diagram, a/t (1 of 2) for mitsubishi eclipse rs 1997.

Web Was The Fuse Blowing Before The.


12 volt basics 12 volt basics back.