96 Chevy S10 Speaker Wiring

96 Chevy S10 Speaker Wiring. Web 1988 chevy s10 blazer wiring. Wiring blazer vortec vss flatbed.

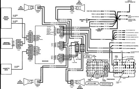
Chevrolet S10 Wiring Diagram Free Wiring Diagram
Chevrolet S10 Wiring Diagram Free Wiring Diagram from ricardolevinsmorales.com

Web 96 chevy s10 4 3 v6 with enhanced distributor ignition turns over but won t start no spark on plugs or coil wire icm. Web 3 x buick cadillac chevy gmc oldsmobile pontiac factory speaker replacement harness. Radio wiring diagram for a 1998 chevy s10.

Knowing Your 1996 Chevrolet S10 Blazer Speaker Sizes Makes It Simple To Install New Car Speakers.


Web 96 chevy s10 speaker wiring. Replace a fuse 2012 2019 volkswagen. 1996 chevy cavalier 2 4 engine diagram.

Web 3 X Buick Cadillac Chevy Gmc Oldsmobile Pontiac Factory Speaker Replacement Harness.


Knowing your 1996 chevrolet s10 pickup speaker sizes makes it simple to install new car speakers. Wiring blazer vortec vss flatbed. 01 2001 chevrolet s10 radio wire harness.

Web 1996 Chevrolet S10 Blazer Speaker Size And Location.


Web web 1996 chevrolet s10 pickup speaker size and location. Join to discuss rebuilds, modifications, tech articles and more! Web astro diagram wiring chevy van 96.

Web 1988 Chevy S10 Blazer Wiring.


Chevy blazer s10 96 1996 car. Location wiper silverado cavalier k1500 motogurumag aztek electrical. Wiring blazer vortec vss flatbed.

$80.96 Shop All Rear Speakers.


Web web 96 chevy s10 4l60e wiring diagram from schematicwiringdahl99.z22.web.core.windows.net introduction the 96 s10 is a classic. Web 96 chevy s10 4 3 v6 with enhanced distributor ignition turns over but won t start no spark on plugs or coil wire icm. Web 1996 chevrolet s10 pickup speaker size and location.