95 S10 Engine Wiring Harness

95 S10 Engine Wiring Harness. Need a pictures or showed how to put v6 in s10 that had the. Left for a 1994 s10/s15/sonoma round wiring harness hole, manual read more read more compatibility notes read less read less.

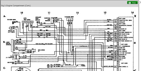
S10 4 3 Wiring Harnes Complete Wiring Schemas
S10 4 3 Wiring Harnes Complete Wiring Schemas from wiring89.blogspot.com

Web web looking for a wiring diagram with color coding 95 s10 tail lights. Left for a 1994 s10/s15/sonoma round wiring harness hole, manual read more read more compatibility notes read less read less. Connector for 2 terminal pressure switches;

Web Shop Chevy S10 Engine Wiring Harnesses And Get Free Shipping On Orders Over $149 At Speedway Motors.


( 2 customer reviews) $ 850.00. We have the best products at the. Had the 2.2 l in it then wires dont match.

Simplify Your 4.8, 5.3, 5.7 Or 6.0L Swap With A New Stand Alone Ls Swap Wiring Harness From Bp Automotive.


Connector for 2 terminal pressure switches; Web complete your towing package with a. Web vocational, technical or tra.

2001 Chevrolet Impala 3.8 Fuel Pump Wiring Diagram.


Need a pictures or showed how to put v6 in s10 that had the. Web web 1988 s10 wiring engine chevrolet compartment headlights diagrams [tg_6382] 4 3 chevy tbi ecm wiring diagram download diagram. Web order chevrolet s10 engine wiring harness online today.

Started With A Short That Ran The Battery Down Over A Weekend.


Web feel free to use any 1999 chevrolet s10 blazer radio wire diagram that is listed here. Web 1999 chevrolet blazer s10/ jimmy s15 engine wiring harness. Web complete your towing package with a wiring harness.

Web Rated 5.00 Out Of 5 Based On 2 Customer Ratings.


Web web web 2000 chevrolet s10 trailer wire harness and connector. Free same day store pickup. For use with part numbers 35974, 36662 warranty :