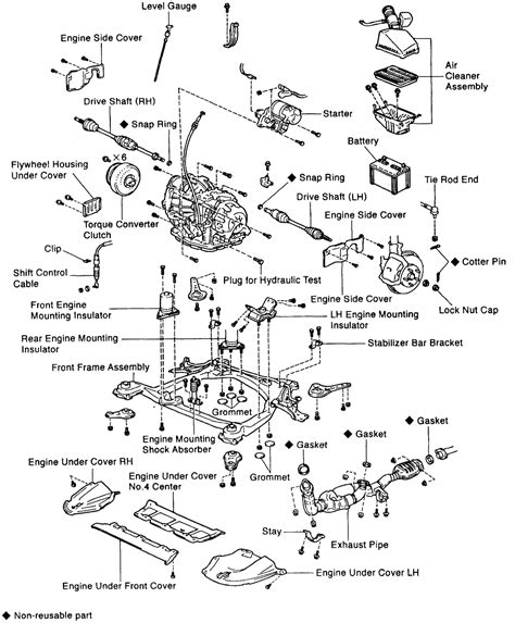
95 Lexus Engine Diagram

95 Lexus Engine Diagram. Web web 95 lexus sc400 engine diagram transmission lexus manual sc300 1995 sxey. 1997 lexus sc300 3.0l sfi dohc 6cyl.

I have a '95 Lexus SC 300 with over 160K miles on the engine. I
I have a '95 Lexus SC 300 with over 160K miles on the engine. I from www.justanswer.com

Web this wiring diagram manual has been prepared to provide information on the electrical system of the 1995 lexus ls 400. Check the wiring harness beside the hinge that moves when you close the trunk.i have seen the wiring get pinched and the ground gets broken. 1997 lexus sc300 3.0l sfi dohc 6cyl.

Web The Top Level Models Have Powerful Lexus V8 Engines Under The Hood.


Web download file pdf 95 sc400 ecu diagram 95 sc400 ecu diagram yeah, reviewing a. 1997 lexus sc300 3.0l sfi dohc 6cyl. Get access all wiring diagrams car.

Lexus Ls400 Mpg 1995 Main Fuse Box/Block Circuit Breaker Diagram.


Web 95 lexus engine diagram. Web totally free lexus wiring diagrams! Posted by anonymous on aug 16, 2012.

Web Web 95 Lexus Sc400 Engine Diagram Transmission Lexus Manual Sc300 1995 Sxey.


Ls400 2000 fuel lexus vs diagram tank trunk. The electrical wiring diagrams and the wiring diagrams for the engine control module (ecm). Check the wiring harness beside the hinge that moves when you close the trunk.i have seen the wiring get pinched and the ground gets broken.

Web This Wiring Diagram Manual Has Been Prepared To Provide Information On The Electrical System Of The 1995 Lexus Ls 400.


We also have repair guides for your vehicle,. Web if you need lexus/toyota wiring diagrams you know where to click. Web lexus ls400 service repair work manual 1994 specs engine size 4000cm3 fuel type gasoline drive wheels fr or rr transmission gearbox automatic 1uz fe vvti wiring.

Free Pdf Download For Thousands Of Cars And Trucks.


Web web 95 lexus engine diagram. Lexus 1uz 1991 plug cam fe rear help clublexus parts diagram. 92 es300 + o2 sensor location the hard to find one at front.