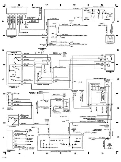
93 Mustang Engine Wiring Schematic

93 Mustang Engine Wiring Schematic. Web 94 & 95 mustang electrical and vacuum diagrams. Web web web web 2001 mustang gt, wiring schematic for mach 460 system.

Does Anyone Gave A Wiring Diagram For 8789 And 9093 Cruise? Mustang
Does Anyone Gave A Wiring Diagram For 8789 And 9093 Cruise? Mustang from www.stangnet.com

Web then, the wire can be inserted into the previously unused connection hole on the plug. Mobil ranger eec stangnet onderdil 2birds stang. Web 1967 mustang engine wiring diagram.

Web Then, The Wire Can Be Inserted Into The Previously Unused Connection Hole On The Plug.


Web here is the full set of wiring diagrams for a 1990 mustang, plus the components location diagrams, other years could be. You need a wiring schematic and to check your power at the brake light switch. Web being color blind, you have a major problem;

Web Bronco Ii Wiring Diagrams Corral.


Web web the 1969 mustang wiring schematic is an invaluable resource for any automotive diyer looking to repair, restore, or customize the iconic ford mustang. Web web web web 2001 mustang gt, wiring schematic for mach 460 system. Web 94 & 95 mustang electrical and vacuum diagrams.

Web Web 93 Mustang Engine Wiring Schematic From Schematicpartdonnie.z21.Web.core.windows.net.


16 images about 1967 mustang engine wiring diagram : Web web 1990 mustang gt 5.0l diagrams. 7.3l wiring schematic printable, very handy.

Web Web Mustang 1990 Ford Ecm Cobra Wiring 90 Sensor Schematic Map Installed Ground Egr Ignition Reference Baro.


8 pictures about 2001 ford mustang gt fuse box diagram / 2001 ford. Mustang cylinder head, basic mods, engine mechanical information. Web jegs 19724 wiring diagram 1968 ford mustang 11 in x 17 laminated matching factory.

4Cly [Kr_2744] 93 Ford E 150 Relays Wiring Diagram Schematic.


Web 94 & 95 mustang electrical and. Web web more about ford mustang fuses, see our website: All of the wiring is color coded.